New Product Launch

Explore our latest material handling solutions designed for efficiency and reliability.

Electric High Lift Pallet Truck Single Cylinder Type with Sensor – DGB1B-Y

Model: DGB1B-Y

Single Cylinder Type

  • Equipped with light sensor, fork could be lifting and lowering automatically, users can easily transport goods
  • Equipped with safety valve to prevent overload
  • Equipped with lifting height limit function, ensuring safety use
  • Optional Built-in charger with a temperature controlled motor
  • EMC certification
  • CE certification
  • Customizable fork length:800/1500/1800/2000

 

Looking for the right solution?

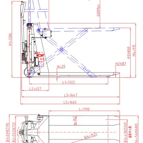
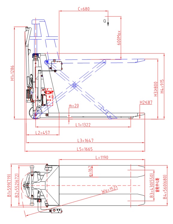
Data Sheet:

ModelDGB1B-Y-560DGB1B-Y-680
Rated Capacity (kg)1000
Min. Height (mm)85± 2
Max. Height (mm)≥ 800
Fork Width (mm)560680
Fork Length (mm)1190
Single Fork Width  (mm)162
Load Center (mm)600
Front Wheel (mm)Φ75×50
Rear Wheel (mm)Φ 180×50
Turning Radius(mm)1521
Overall Length (mm)1665
Overall Width (mm)599719
Overall Height (mm)1286
Battery Capacity (V/A h)12V/60AH
ChargerBuilt-in (output:12V/6A)
Power Pack Motor12V/800W
Net Weight (kg)145149
4pcs/pallet Gross Weight (kg)614637
4pcs/pallet  Dimension (cm)219x62x112219x74x112
Lowering Speed with rated load ( mm /s)30~ 100
Lowering Speed without load (m m /s)50~ 100
Lifting Speed with rated load(m m /s)≥48
Lifting Speed without load(m m/s)≥28
Stocks with rated load (times)≤ 65
Stocks without rated load (times)≤ 28
Oil Capacity (L)0.8
Sensor Distance (mm)500 (adjustable)